LillyAllenDesigns
Jasminsmagicworld
BarkalooDesign
Artiststas
AdoDesignShop
JahusDesignShop
BundleAndBundleShop
HRA Design Shop
FaDigitalArtStudio
Enoddigitalart@gmail.com
Afrowomandigitalshop@gmail.com
OliviaCreatesArt
CowGirlArtShop
HowdyJamesFarm
TumblerDesignByShophia
RanaPortraitStore
CTS Tumbler Store
Zillion Design Studio
NancyCooperArtShop
Texasbilliewilder
MaliasSmallBusiness
Muks_Shop
Rvexell
NReaL
Oittostudio
Nteklah
Melllux
PUBLICTEES
Gear_desain
Erdiyan
C
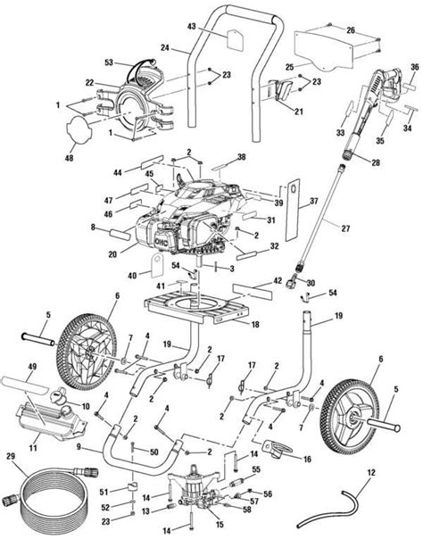
Amazon Powerstroke PS80544B 3000 PSI 2.5 GPM Pressure Washer Very well made.
2700 PSI Pressure Washer Power Stroke Very well made.
PowerStroke 3100 PSI 2.4 GPM Gas Pressure Washer with Yamaha Very well made.
Homelite PS80544B PowerStroke Pressure Washer Mfg. No. 090079309 Very well made.
Powerstroke Pressure Washer 3100 Parts Diagram 4 3000 PSI Free Very well made.