LillyAllenDesigns
Jasminsmagicworld
BarkalooDesign
Artiststas
AdoDesignShop
JahusDesignShop
BundleAndBundleShop
HRA Design Shop
FaDigitalArtStudio
Enoddigitalart@gmail.com
Afrowomandigitalshop@gmail.com
OliviaCreatesArt
CowGirlArtShop
HowdyJamesFarm
TumblerDesignByShophia
RanaPortraitStore
CTS Tumbler Store
Zillion Design Studio
NancyCooperArtShop
Texasbilliewilder
MaliasSmallBusiness
Muks_Shop
Rvexell
NReaL
Oittostudio
Nteklah
Melllux
PUBLICTEES
Gear_desain
Erdiyan
C
30 Very well made.
Amazon Fourtry 194327 Flat Idler Pulley Fit for Craftsman Very well made.
Lawn Tractor Ground Drive Fixed Idler Pulley replaces 532179114 Very well made.
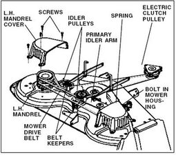
How to put belt on the mower deck Craftsman Riding Mower iFixit Very well made.
MaxPower V Idler Pulley For Craftsman Husqvarna Poulan Mowers Very well made.