LillyAllenDesigns
Jasminsmagicworld
BarkalooDesign
Artiststas
AdoDesignShop
JahusDesignShop
BundleAndBundleShop
HRA Design Shop
FaDigitalArtStudio
Enoddigitalart@gmail.com
Afrowomandigitalshop@gmail.com
OliviaCreatesArt
CowGirlArtShop
HowdyJamesFarm
TumblerDesignByShophia
RanaPortraitStore
CTS Tumbler Store
Zillion Design Studio
NancyCooperArtShop
Texasbilliewilder
MaliasSmallBusiness
Muks_Shop
Rvexell
NReaL
Oittostudio
Nteklah
Melllux
PUBLICTEES
Gear_desain
Erdiyan
C
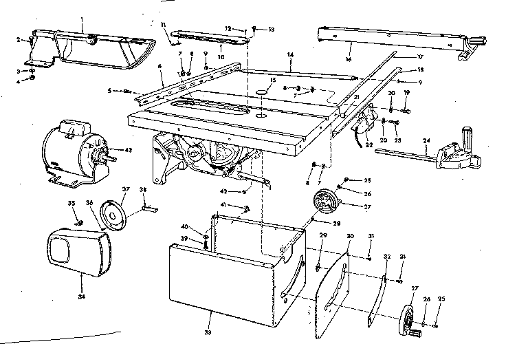
Photo Index Sears Craftsman 103.22161 Craftsman Model 80 Very well made.
Craftsman 10 Very well made.
Sears Craftsman 113.298031 10 Table Saw BigIron Auctions Very well made.
V Belt Drive Belt Replacement Fits 113.298031 Sears Roebuck Craftsman Table Saw Very well made.
Official Craftsman 113298031 table saw parts Sears PartsDirect Very well made.